電動V型球閥
電動V型球閥是一種芯閥座采用金屬,或金屬對聚四氟乙烯密封配合的旋轉球閥,它將球閥和蝶閥的最佳控制特性結合成一體,既可用作控制調節閥,又可作關斷切斷閥。球芯上的V形切口與金屬閥座之間具有剪切作用,特別適用于控制高粘度,含纖維、固體顆粒及漿料等介質。
|
產品名稱: |
電動V型球閥 |
產品型號: |
VQ947H/F/Y、VQ977H/F/Y |
|
公稱通徑: |
DN25~DN500 |
結構形式: |
球形 |
|
公稱壓力: |
1.6Mpa~4.0Mpa |
連接方式: |
法蘭式、對夾式 |
|
適用溫度: |
-20~232℃~450℃ |
驅動方式: |
手動、蝸輪、電動、氣動 |
|
閥體材質: |
鑄鋼、不銹鋼 |
制造標準: |
國標GB、德國DIN、美國API、ANSI |
|
適用介質: |
蒸汽、液體、固體顆粒、粘稠、易結晶介質 |
生產廠家: |
上海凱利科閥門有限公司 |
產品說明
電動V型球閥是一種芯閥座采用金屬,或金屬對聚四氟乙烯密封配合的旋轉球閥,它將球閥和蝶閥的最佳控制特性結合成一體,既可用作控制調節閥,又可作關斷切斷閥。球芯上的V形切口與金屬閥座之間具有剪切作用,特別適用于控制高粘度,含纖維、固體顆粒及漿料等介質。結構制造紙工業的紙漿顯得尤為優越。閥門的流通能力大、壓力損失小、且介質不會沉積在閥體中腔,閥門不僅具有近似等有分比的流量特性、可調范圍大,最大可調比為100:1,還具有精確調節與可靠定位的功能。
產品特點
電動V型球閥是球閥的一種,它的關閉件是半球體上開有V字型開口,V型開口具有鋒利的刃口,在球體回轉過程中,關閉件之間有擦拭作用,對介質具有強有力的切斷力,球體的V型開口與閥座流道形成一個扇形區域,在回轉過程中可改變流道截面積,形成對介質的精確調節,它是一種角回轉的調節閥,其密封性能與普通球閥相同,使它同時具備調節和開關兩種功能,與氣動或電動執行器配套,廣泛使用于工業過程自控系統中。
1、閥體整體式結構:對夾式和法蘭式V型球閥閥體都是整體側裝式結構,結構剛性強,不容易引起變形和外泄。
2、上下自潤滑軸承:閥體內裝有上下自潤滑軸承,與閥桿接觸面積大,承載能力高,磨擦系數小,使閥門的扭矩減少。
3、閥座可根據介質和工況的需要,選金屬硬密封或PTFE軟密封:金屬硬密封閥座密封表面堆焊硬質合金,球 面鍍硬鉻或噴焊、離子氮化等硬化處理,使密封面使用壽命增強,耐溫提高;軟密封PTFE閥座或增強PTFE閥座密封性好 耐腐蝕,適應范圍廣。
4、經濟實用性:閥體重量輕,閥桿扭矩小,配用氣動或電動執行器相應規格小,與其它類型的調節閥相比,性價比高。
5,介質適應范圍廣:由于V型開口與閥座之間的剪切作用力,及閥內腔流道的光滑圓整,使介質不易積存于內腔,所以 它除適合液體介質外,更適合于帶纖維及固體顆料介質的系統控制。
6、小流量精確控制:通過對小口徑閥芯特殊V型開口的加工,可實現小Cv值精確控制。
技術規范
|
設計依據 |
GB標準 |
ANSI標準 |
|
設計標準 |
GB/12237 |
ANSIB16.34 |
|
連接法蘭尺寸 |
GB/9113、JB/T79 |
ANSIB16.5 |
|
試驗和檢驗 |
JB/T9002 |
API598 |
閥座參數
|
金屬密封閥座 |
高溫型金屬密封閥座 |
軟閥座 |
|
序號 |
名稱 |
溫度范圍℃ |
序號 |
名稱 |
溫度范圍℃ |
序號 |
名稱 |
溫度范圍℃ |
|
1 |
密封閥蓋 |
-20~160℃
-20~230℃ |
1 |
密封閥蓋 |
-20~425℃ |
1 |
密封閥蓋 |
-20~160℃ |
|
2 |
彈簧 |
2 |
碟簧 |
2 |
彈簧 |
|
3 |
O形圈 |
3 |
壓圈 |
3 |
O形圈 |
|
4 |
閥體 |
4 |
石墨環 |
4 |
閥體 |
|
5 |
密封座 |
5 |
閥座 |
5 |
密封座 |
|
6 |
閥芯 |
6 |
閥體 |
6 |
密封圈(PTFE) |
|
|
7 |
閥芯 |
7 |
閥芯 |
主要零件材質表
|
序號 |
名稱 |
數量(件) |
材料 |
|
1 |
閥體 |
1 |
WCB |
CF8 |
CF8M |
|
2 |
閥芯 |
1 |
CF8表面鍍硬鉻 |
CF8表面鍍硬鉻 |
CF8M表面鍍硬鉻 |
|
3 |
圓柱銷 |
2 |
304 |
304 |
316 |
|
4 |
閥座 |
1 |
304堆焊硬質合金 |
304堆焊硬質合金 |
316 |
|
5 |
彈簧 |
1 |
316 |
316 |
316 |
|
6 |
0型圈 |
1 |
氟橡膠 |
氟橡膠 |
氟橡膠 |
|
7 |
自潤滑軸承 |
|
304+PTFE |
304+PTFE |
316+PTFE |
|
8 |
下閥桿 |
1 |
20Cr13 |
304 |
316 |
|
9 |
O型圈 |
1 |
氟橡膠 |
氟橡膠 |
氟橡膠 |
|
10 |
后壓蓋 |
1 |
WCB |
CF8 |
CF8M |
|
11 |
環墊 |
1 |
PTFE |
PTFE |
PTFE |
|
12 |
調節墊片 |
1 |
PTFE |
PTFE |
PTFE |
|
13 |
平墊片 |
4 |
Q235 |
304 |
304 |
|
14 |
螺栓 |
4 |
25 |
304 |
304 |
|
15 |
雙頭螺柱 |
2 |
25 |
304 |
304 |
|
16 |
自潤滑軸承 |
1 |
304+PTFE |
304+PTFE |
316+PTFE |
|
17 |
平鍵 |
1 |
20Cr13 |
304 |
316 |
|
18 |
下填料 |
1 |
PTFE |
PTFE |
PTFE |
|
19 |
中填料 |
1組 |
PTFE |
PTFE |
PTFE |
|
20 |
上填料 |
1 |
PTFE |
PTFE |
PTFE |
|
21 |
填料壓蓋 |
1 |
WCB |
CF8 |
CF8M |
|
22 |
螺母 |
2 |
35 |
304 |
304 |
|
23 |
上閥桿 |
1 |
20Cr13 |
304 |
316 |
主要技術參數及性能指標
|
公稱通徑DN |
25 |
32 |
40 |
50 |
65 |
80 |
100 |
125 |
150 |
200 |
250 |
300 |
350 |
400 |
|
額定流量系數Cv |
32 |
43 |
78 |
90 |
160 |
250 |
360 |
610 |
1120 |
1850 |
2950 |
3700 |
7195 |
11466 |
|
公稱壓力 |
PN1.6、2.5、4.0、6.4MPa |
|
強度試驗 |
2.4~9.6MPa |
|
密封試驗 |
1.76~7.0MPa |
|
流量特性 |
近似等百分比、直線特性 |
|
閥板轉角(度) |
0°~至90°(可調) |
|
允許泄漏量等級 |
軟密封:零泄露
硬密封:≤額定Cv×0.001% |
軟密封:VI微氣泡級,金屬密封:≤額定CV×0.065% |
|
動作時間(S/90度) |
8.5~30 |
36~60 |
|
可調節比 |
250:1 |
300:1 |
|
基本誤差 |
全行程的≤±2% |
|
回差 |
全行程的≤±2% |
|
死區 |
全行程的≤0.8% |
|
控制方式 |
開關到位燈(開關兩位控制)、無源觸點信號、1/5K電位計、智能調節(4~20mA模擬量信號控制) |
執行器技術參數
|
執行器類別 |
引進型JOX系列執行器參數 |
引進型3610R系列執行器參數 |
引進型JHQ系列執行器參數 |
|
電源電壓 |
標準:220V AC單相 可選:110V AC 單相、380/440V AC 三相、24V/110V/220V AC |
|
輸出力矩 |
50N·M~2000N·M |
50N·M~1500N·M |
50N·M~3000N·M |
|
動作范圍 |
0~90° 0~360° |
0~90° |
0~90°、0°~270°可選 |
|
控制方式 |
開關到位燈(開關兩位控制)、無源觸點信號、1/5K電位計、智能調節(4~20mA模擬量信號控制) |
|
動作時間 |
15秒/30秒/60秒 |
10秒/15秒/30秒 |
18S~112S |
|
保護裝置 |
過熱保護 |
過載保護 |
內置過熱保護、過載保護 |
|
環境溫度 |
-30°~60° |
-30°~60° |
-20℃~+70℃ |
|
手動操作 |
同附帶手柄操作 |
同附帶手柄操作 |
機械離合機構,配手輪操作 |
|
機械限位 |
電氣、機械二重限位 |
電氣、機械二重限位 |
2個外部調整螺栓 |
|
防護等級 |
IP65 |
IP55 |
IP65、IP67、可定制IP68 |
|
防爆等級 |
無防爆 |
ExdⅡ BT4 |
ExdⅡ BT4,ExdⅡ CT6 |
|
位置測量 |
可選裝開關或電位計 |
比例控制單元 |
電位計、比例控制單元 |
|
驅動電機 |
8W/E |
AC可逆電機 |
鼠籠式異步電機 |
|
進線接口 |
PE1/2〞進線線鎖 |
2-PF 1/2〞進線線鎖 |
2個 PF 3/4” |
|
殼體材料 |
鋁合金 |
鋼,鋁合金 |
鋼,鋁合金,鋁青銅,聚碳酸脂 |
|
外涂層 |
干粉,環氧聚酯,具有超強防腐功能 |
|
采用獨特的電制動線路,因而定位精度高,執行機構靈敏,啟動停止迅速,運行平穩。同時具有抗干擾、抗浪涌電壓、防擊穿能力強的特點 |
|
適用于動作頻繁的調節回路,當接通持續率為25%時,每小時動作次數可達630-1200次 |
流量特性指數圖
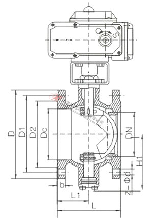
VQ947(H/FY)法蘭式電動V型球閥結構圖
VQ947(H/FY)法蘭式電動V型球閥外形參數及連接尺寸
(1.6MPa-2.5MPa)
公稱壓力
PN(MPa) |
公稱通徑
DN(mm) |
尺寸(mm) |
|
L |
L1 |
D |
D1 |
D2 |
b |
Z-ød |
Dc |
H1 |
|
1.6 |
25 |
- |
- |
- |
- |
- |
- |
- |
38 |
57 |
|
40 |
- |
- |
- |
- |
- |
- |
- |
49 |
63 |
|
50 |
124 |
62 |
160/165 |
125 |
100/102 |
16/18 |
4-ø18 |
60 |
92 |
|
65 |
145 |
72.5 |
180/185 |
145 |
120/122 |
18 |
4-ø18 |
75 |
100 |
|
80 |
165 |
82.5 |
195/200 |
160 |
135/138 |
20 |
8-ø18 |
89 |
108 |
|
100 |
194 |
97 |
215/220 |
180 |
155/158 |
20 |
8-ø18 |
113 |
117 |
|
125 |
210 |
105 |
245/250 |
210 |
185/188 |
22 |
8-ø18 |
140 |
140 |
|
150 |
229 |
114.5 |
280/285 |
240 |
210/212 |
24/22 |
8-ø23/8-ø22 |
164 |
177 |
|
200 |
243 |
121.5 |
335/340 |
295 |
265/268 |
26/24 |
12-ø23/12-ø22 |
205 |
200 |
|
250 |
297 |
148.5 |
405 |
355 |
320 |
30/26 |
12-ø25/12-ø26 |
259 |
252 |
|
300 |
338 |
169 |
460 |
410 |
375/378 |
30/28 |
12-ø25/12-ø26 |
300 |
270 |
|
2.5 |
25 |
- |
- |
- |
- |
- |
- |
- |
38 |
57 |
|
40 |
- |
- |
- |
- |
- |
- |
- |
49 |
63 |
|
50 |
124 |
62 |
160/165 |
125 |
100/102 |
20 |
4-ø18 |
60 |
92 |
|
65 |
145 |
72.5 |
180/185 |
145 |
120/122 |
22 |
8-ø18 |
75 |
100 |
|
80 |
165 |
82.5 |
195/200 |
160 |
135/138 |
22/24 |
8-ø18 |
89 |
108 |
|
100 |
194 |
97 |
230/235 |
190 |
160/162 |
24 |
8-ø23/8-ø22 |
113 |
117 |
|
125 |
210 |
105 |
270 |
220 |
188 |
28/26 |
8-ø25/8-ø26 |
140 |
140 |
|
150 |
229 |
114.5 |
300 |
250 |
218 |
30/28 |
8-ø25/8-ø26 |
164 |
177 |
|
200 |
243 |
121.5 |
360 |
310 |
278 |
34/30 |
12-ø25/12-ø26 |
205 |
200 |
|
250 |
297 |
148.5 |
425 |
370 |
332/335 |
36/32 |
12-ø30 |
259 |
252 |
|
300 |
338 |
169 |
485 |
430 |
390/395 |
40/36 |
16-ø30 |
300 |
270 |
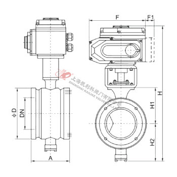
VQ977(H/FY)對夾式電動V型球閥結構圖
VQ977(H/FY)對夾式電動V型球閥外形參數及連接尺寸
(1.6MPa-2.5MPa)
|
公稱通徑DN |
尺寸(mm) |
|
A |
ΦD |
H1 |
H2 |
H |
F |
F1 |
|
15 |
62 |
Φ64 |
74 |
75 |
390 |
161 |
40 |
|
20 |
62 |
Φ64 |
74 |
75 |
390 |
161 |
40 |
|
25 |
62 |
Φ64 |
74 |
75 |
390 |
161 |
40 |
|
32 |
62 |
Φ78 |
80 |
75 |
400 |
188 |
40 |
|
40 |
62 |
Φ82 |
85 |
75 |
405 |
188 |
40 |
|
50 |
75 |
Φ100 |
87 |
95 |
430 |
188 |
40 |
|
65 |
80 |
Φ120 |
105 |
115 |
460 |
188 |
40 |
|
80 |
100 |
Φ131 |
115 |
125 |
520 |
268 |
40 |
|
100 |
115 |
Φ158 |
125 |
125 |
530 |
268 |
40 |
|
125 |
130 |
Φ180 |
140 |
155 |
570 |
268 |
40 |
|
150 |
160 |
Φ216 |
153 |
165 |
600 |
268 |
40 |
|
200 |
200 |
Φ268 |
200 |
195 |
680 |
268 |
40 |
|
250 |
240 |
Φ325 |
225 |
225 |
730 |
268 |
40 |
聲明:【電動V型球閥】規格型號、結構尺寸由上海凱利科閥門有限公司提供,如何選擇適用的電動V型球閥產品,使之在工藝控制中安全可靠、經濟適用,可致電我司銷售部門及技術部門,我們將在最短的時間內為您解答! |